Features
Be suitable for high vibration application;
3.3V low power supply, low consumption;
UART serial communication port, be able to provide sine wave output;
Compatible with SA.45 pins;
1PPS input synchronization and PPS output;
TOD output.
Main Specifications
Output frequency | 10MHz |
Output electric level | 3.3V TTL EL |
Frequency accuracy | 5E-11 |
Short term stability | 3.0E-10/1S1.0E-10/10S3.0-11/100S |
Phase Noise (SSB) | @10Hz | -90dBc/Hz |
@100Hz | -120dBc/Hz |
@1KHz | -140dBc/Hz |
@10KHz | -145dBc/Hz |
Frequency drifting | ≤3E-11/day |
Steady state consumption (normal temperature, 25℃) |
≤2W @3.3V |
Power supply | +3.2~+3.4Vdc |
Frequency Adjustment range | ±2E-8 |
Adjustment accuracy (digital) | Better than 1E-12 |
1PPS input synchronization function | 1PPS SYNC accuracy is better than ±50ns |
1PPS input disciplined accuracy | ≤5E-12 (average value of 24 hours after one day discipline) |
Holding performance | ≤5μs (holding time difference of 24hours after one day discipline) |
Operating temperature | -45℃~+65℃ (+75℃ optional) |
Temperature accuracy | ≤1E-9 (5E-10 optional) |
Storage temperature | -55℃~+85℃ |
MTBF | 100,000 hours |
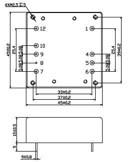
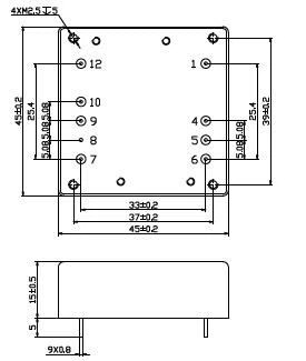
Package | 12 pins dual in-line package |
External size | 45*45*15 (mm3) |
Weight | ≤60g |

External Configuration
Pins No. | Feature name | Pins No. | Feature name |
1 | NC | 7 | +3.3V |
2 | N/A | 8 | GND |
3 | N/A | 9 | 1PPS input |
4 | Lock indication | 10 | 1PPS output |
5 | TXD | 11 | N/A |
6 | RXD | 12 | 10MHZ output |
Pins Connection